| 作動 | 液壓符號 | 類別 | 主訂購代號 | 流量 (l/min) |
壓力 (bar) |
成型孔 |
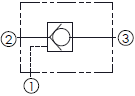
| 3 ports | ![]() |
口1通口2自由流
口3封閉 |
CV-11A-20 | 80 | 350 | 11A-3 |
| CV-2A-20 | 160 | 350 | 2A-3 |
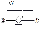
| 3 ports | ![]() |
口2通口1自由流
口3封閉 |
CV-11A-21 | 60 | 350 | 11A-3 |
| CV-2A-21 | 120 | 350 | 2A-3 | |||
| CV-17A-21 | 240 | 350 | 17A-3 | |||
| CV-19A-21 | 480 | 350 | 19A-3 |
| 3 ports | ![]() |
導壓開單向閥
口2通口3自由流 附開口度調(diào)整桿 |
CO-08W-30-Y-L | 30 | 240 | 08W-3 |
| 3 ports | ![]() |
導壓開單向閥
口2通口1自由流 |
CO-163A-X-Y-Z | 30 | 350 | 163A-3 |
| CO-11A-X-Y-Z | 60 | 350 | 11A-3 | |||
| CO-2A-X-Y-Z | 120 | 350 | 2A-3 | |||
| CO-17A-X-Y-Z | 240 | 350 | 17A-3 | |||
| CO-19A-X-Y-Z | 480 | 350 | 19A-3 | |||
| CO-20MS-3C | 30 | 350 | 20MS-3 | |||
| CO-18MS-X | 30 | 420 | 18MS-3 |
| 3 ports | ![]() |
導壓開單向閥
口2通口3自由流 |
CO-11A-38 | 60 | 350 | 11A-3 |
| 3 ports | ![]() |
導壓開單向閥
口2通口3自由流 |
CO-08W-X | 30 | 240 | 08W-3 |
| CO-10W-X | 30 | 240 | 10W-3 | |||
| CO-22M-X | 30 | 315 | 22M-3 |
| 3 ports | ![]() |
導壓開單向閥
口2通口3自由流 |
CO-08W-X | 30 | 240 | 08W-3 |
| 3 ports | ![]() |
導壓開單向閥
附外部導壓口 導壓活塞和桿密封 |
CO-2A-3F | 120 | 350 | 2A-3 |
| CO-17A-3F | 240 | 350 | 17A-3 | |||
| CO-19A-3F | 480 | 350 | 19A-3 |
| 3 ports | ![]() |
導壓關單向閥
口1通口2自由流 |
CC-163A-30 | 40 | 350 | 163A-3 |
| CC-11A-30 | 80 | 350 | 11A-3 | |||
| CC-2A-30 | 160 | 350 | 2A-3 | |||
| CC-17A-30 | 320 | 350 | 17A-3 | |||
| CC-19A-30 | 640 | 350 | 19A-3 |
| 3 ports | ![]() |
止回閥
透大氣型導壓開 |
CK-11A-3C | 60 | 350 | 11A-3 |
| CK-2A-3C | 120 | 350 | 2A-3 | |||
| CK-17A-3C | 240 | 350 | 17A-3 | |||
| CK-19A-3C | 480 | 350 | 19A-3 |
| 4 ports | ![]() |
止回閥
導壓開 |
CK-21A-4C | 60 | 350 | 21A-4 |
| CK-22A-4C | 120 | 350 | 22A-4 | |||
| CK-23A-4C | 240 | 350 | 23A-4 | |||
| CK-24A-4C | 480 | 350 | 24A-4 | |||
| CK-21AS-40 | 60 | 350 | 21AS-4 |
| 4 ports | ![]() |
雙導壓開單向閥
口2通口1, 口3通口4, 自由流 |
CO-10W-43 | 30 | 240 | 10W-4 |
| 3 ports | ![]() |
導壓開單向閥
口2通口1自由流 快速反應型 |
CO-163A-X-Y-Z-2 | 30 | 350 | 163A-3 |
| CO-11A-X-Y-Z-2 | 60 | 350 | 11A-3 | |||
| CO-2A-X-Y-Z-2 | 120 | 350 | 2A-3 | |||
| CO-17A-X-Y-Z-2 | 240 | 350 | 17A-3 | |||
| CO-19A-X-Y-Z-2 | 480 | 350 | 19A-3 |




































